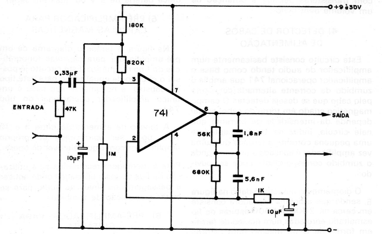
Esta configuración con el amplificador operacional 741 tiene una ecualización NAB para captadores magnéticos. El circuito debe ser alimentado por una fuente simétrica y se debe tomar una protección cuidadosa de la entrada de señal y los cables de salida para evitar zumbidos.




