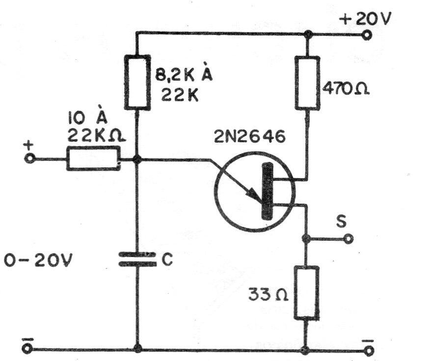
En la figura tenemos el método de modular o controlar la frecuencia de un oscilador de relajación mediante una tensión externa. La frecuencia básica en el rango de audio está determinada por el capacitor y los resistores que se pueden elegir según la aplicación. El circuito opera con tensiones de 9 a 18 V.




