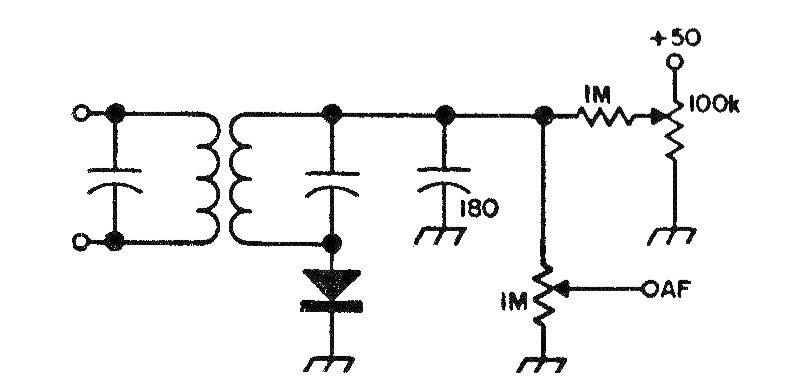
Este circuito silencia el receptor cuando no hay una señal modulada, lo que elimina el ruido de fondo. El circuito se aplica a viejos receptores de AM transistorizados.
Un altavoz viejo, una o dos baterías (incluso bajas), una lima y es todo lo que el lector necesita para...
La finalidad de esta experiencia muy simple es mostrar que una corriente eléctrica transporta energía...
En la figura 1 presentamos un circuito extremadamente simple de una fuente de tensión regulada por...