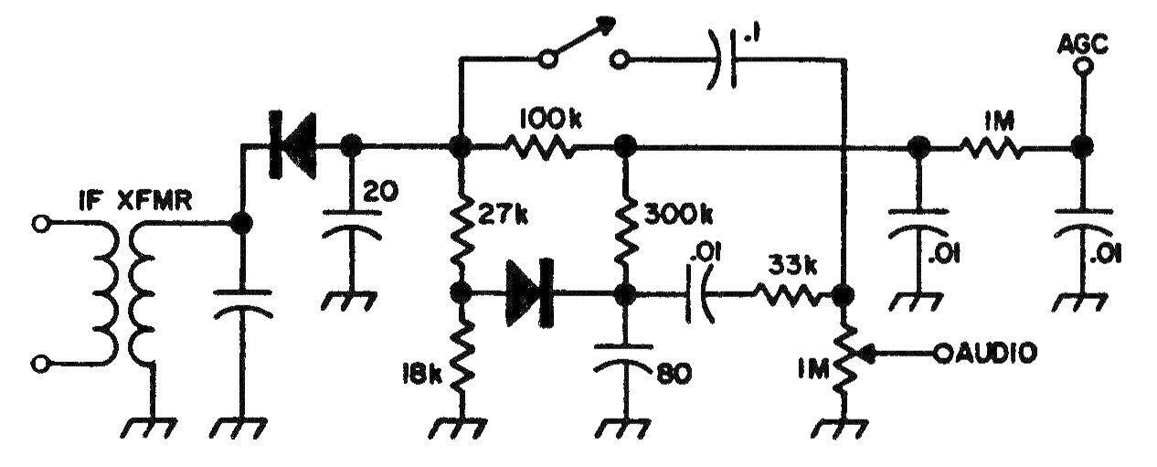
Esta configuración se encontró en una documentación de radioaficionados en inglés de la década de 1980. El circuito limita el ruido en un detector de receptor de una manera muy eficiente. Los diodos son de uso general germanio.

 

Limitador de ruido
Limitador de ruido | Haga click en la imagen para ampliar |