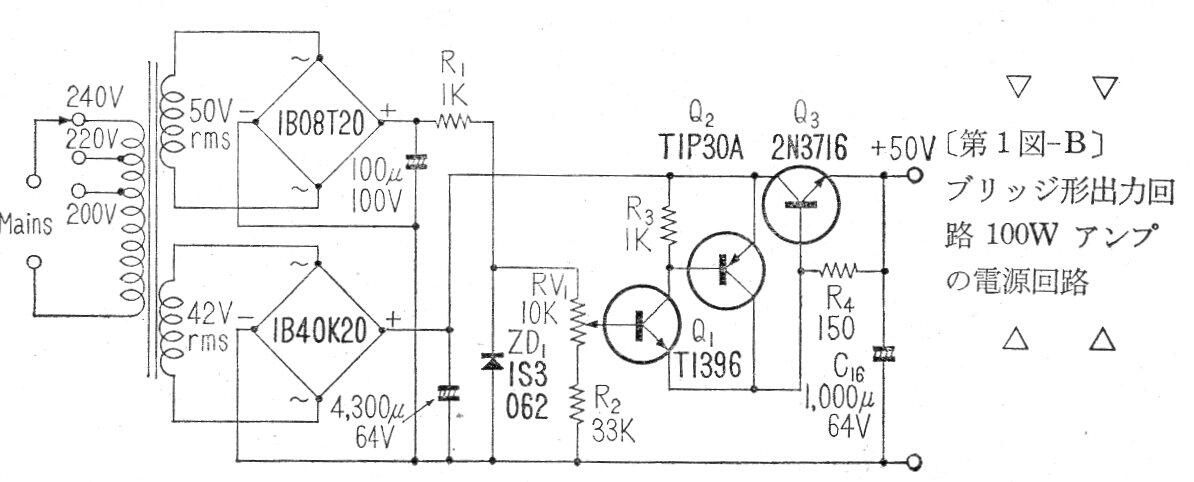
Esta es la fuente de alimentación indicada para el amplificador que se muestra en CIR11271S. El circuito utiliza transistores de período y el tipo principal de potencia debe estar dotado de un excelente disipador de calor. La tensión de salida es de 50 V. La corriente secundaria del transformador es de al menos 2,5 A.




