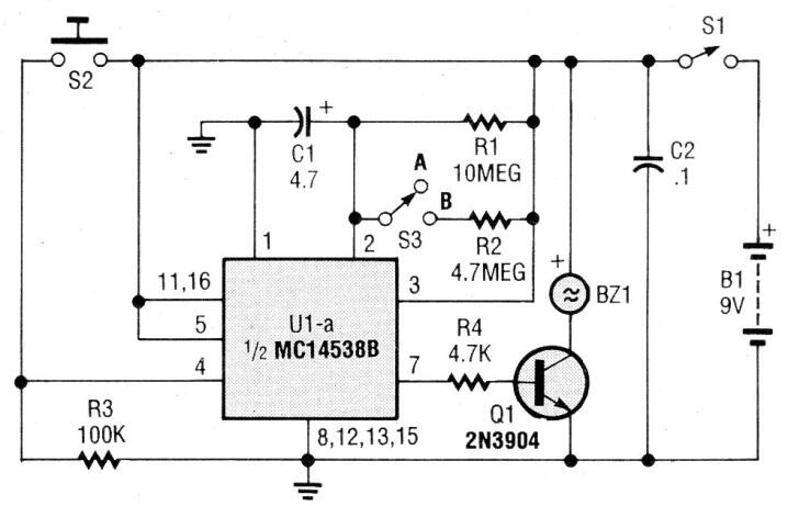
Este circuito es de un Poptronics de 1998. El circuito dispara un timbre después de un tiempo, despertando a una persona que tiende a dormir en servicio o en otra situación. El circuito está alimentado por una batería de 9 V y BZ es un timbre de tipo Sonalert. La tecla selecciona el intervalo de tiempo en minutos.




