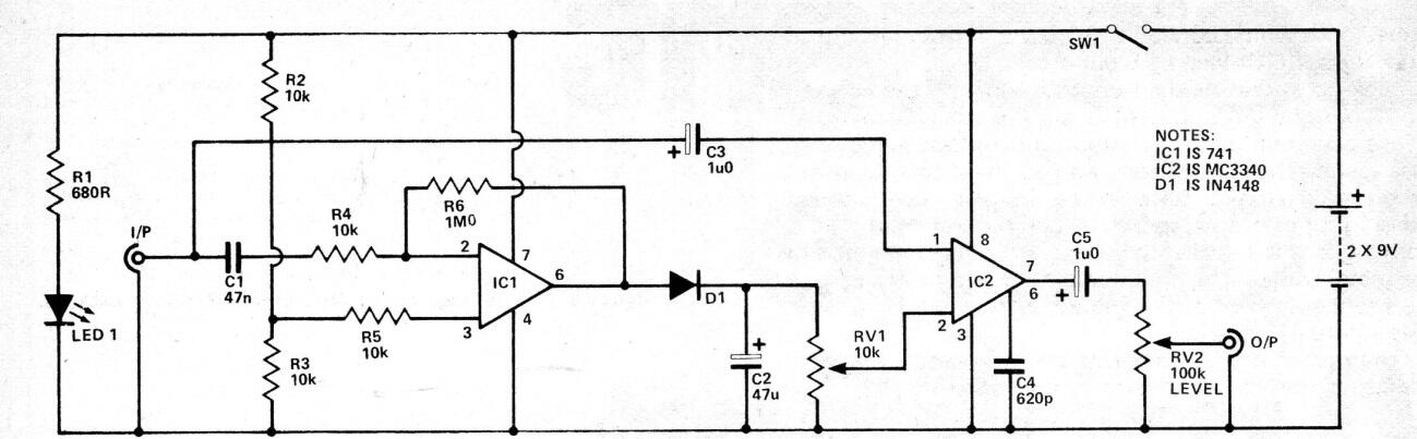
Este circuito utiliza componentes antiguos, algunos que todavía se pueden encontrar fácilmente. El circuito es de una documentación en inglés de 1979 y está alimentado por dos baterías de 9 V. El consumo dependerá del amplificador final que se puede cambiar por un equivalente más moderno.




