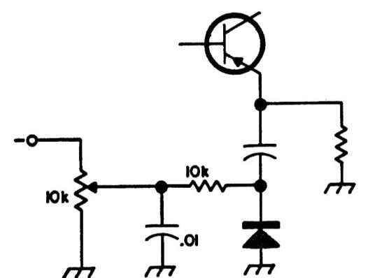
En la figura tenemos la aplicación de un diodo de uso general en el control de ganancia de un paso de amplificador de transistor. El potenciómetro determina la polarización y, por lo tanto, la ganancia en función de la señal amplificada. El circuito es de una documentación de los años 80.

Control de ganancia para amplificador



