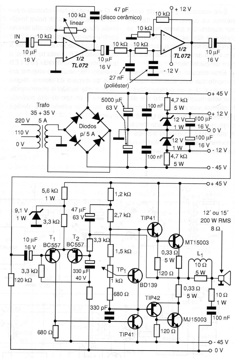
El circuito presentado es bastante interesante para el filtro de paso bajo que usa el circuito integrado TL072 (amplificador operacional doble). Sin embargo, el amplificador de potencia con transistores comunes se puede reemplazar perfectamente por configuraciones más eficientes y más modernas. Entre ellos destacamos el circuito integrado LM3886 que ya describimos en artículos de esta revista y que consiste en un amplificador integrado de 60 W que en configuración puenteada puede proporcionar 240 W y que sería ideal para este tipo de aplicación. El amplificador con el TDA7294 descrito en otro artículo en el sitio sería otra opción para reemplazar la etapa de potencia de este proyecto. El proyecto es de una documentación de 2008.




