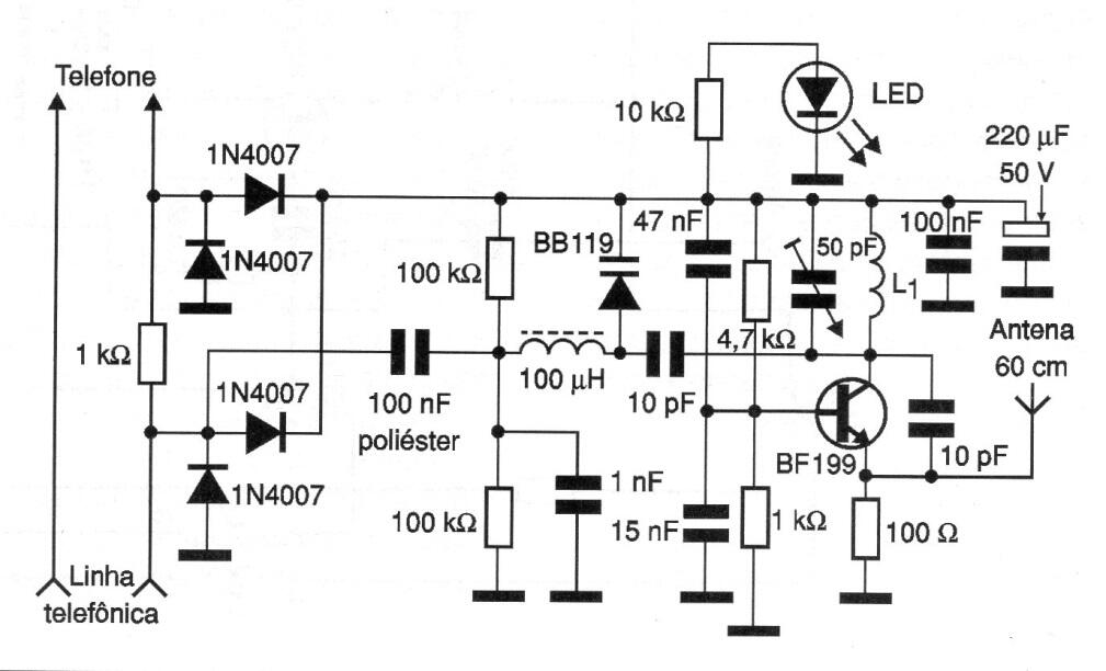
Este circuito transmite a un receptor de FM a una distancia de hasta 50 metros las conversaciones tomadas desde una línea telefónica. El circuito es alimentado por la línea misma y la bobina L1 está formada por 3 a 4 vueltas de cable de 1 a 18 cm sin núcleo.




