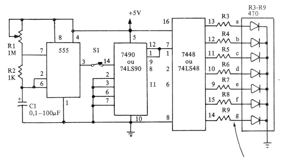
Encontramos este circuito en una documentación estadounidense de los años 80. El rango de tiempo de segundos o minutos está determinado por la configuración de R1. El circuito es de tipo secuencial, controlando un conjunto de LED. Dado que los circuitos integrados son TTL, la alimentación debe suministrarse con 5 V.




