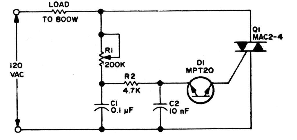
Esta configuración de atenuador tradicional para lámparas incandescentes aparece en otras partes de esta sección, obtenida de diferentes fuentes. Q1 es un diac y para redes de 220 V, el capacitor C1 debe cambiarse. El triac deberá estar equipado con un disipador de calor de acuerdo con la carga.




