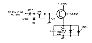
Esímetro (CIR11591S)
Este esímetro o S-meter, medidor de intensidad de señal, fue creado originalmente para el receptor Regency de los 80, pero se puede adaptar o utilizar como referencia para otros. La señal se toma de la FI. El transistor admite equivalente.

Esímetro



