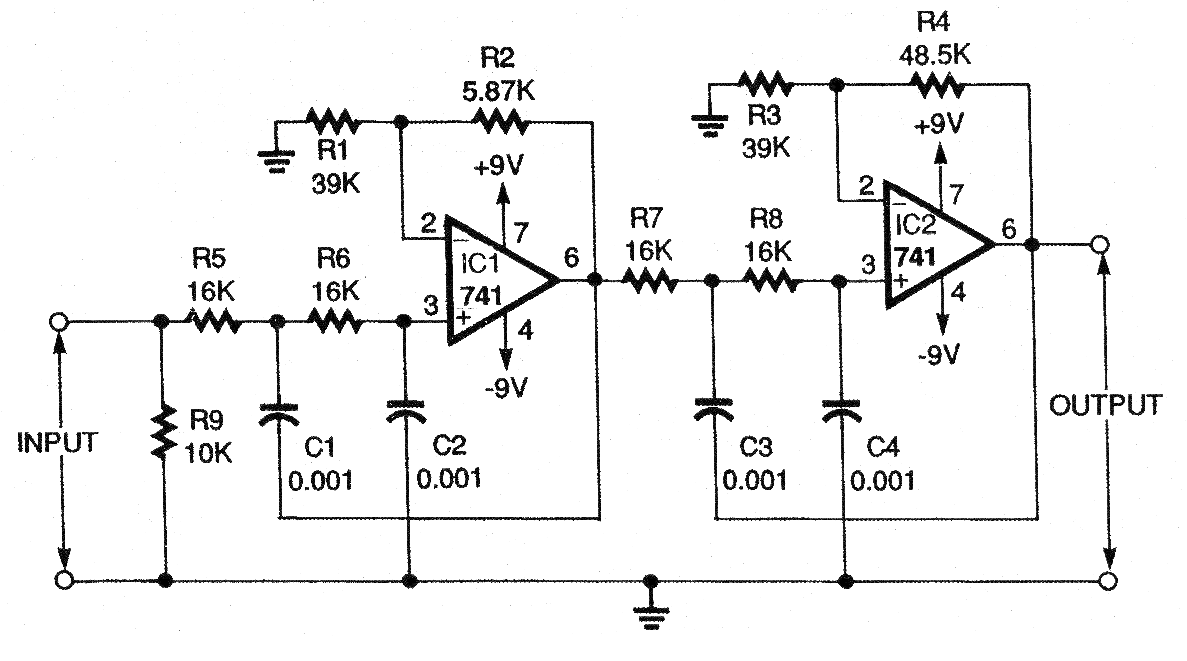
Encontramos este circuito de filtro en una revista americana Electronics Now de febrero de 1995. La revista ya no existe, pero el circuito puede ser implementado con facilidad. Se trata de un filtro pasa bajas de 100 Hz de cuarta orden. Vea en la sección de matemáticas cómo calcular este tipo de circuito. La fuente de alimentación debe ser simétrica.




