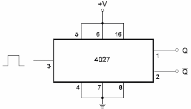
Esta es la configuración básica de un circuito integrado CMOS 4027 como flip-flop. El circuito puede ser alimentado por tensiones de 5 a 15 V. Este circuito es del libro CMOS Sourcebook de Newton C. Braga, publicado en los Estados Unidos.

Flip-Flop CMOS con el 4027



