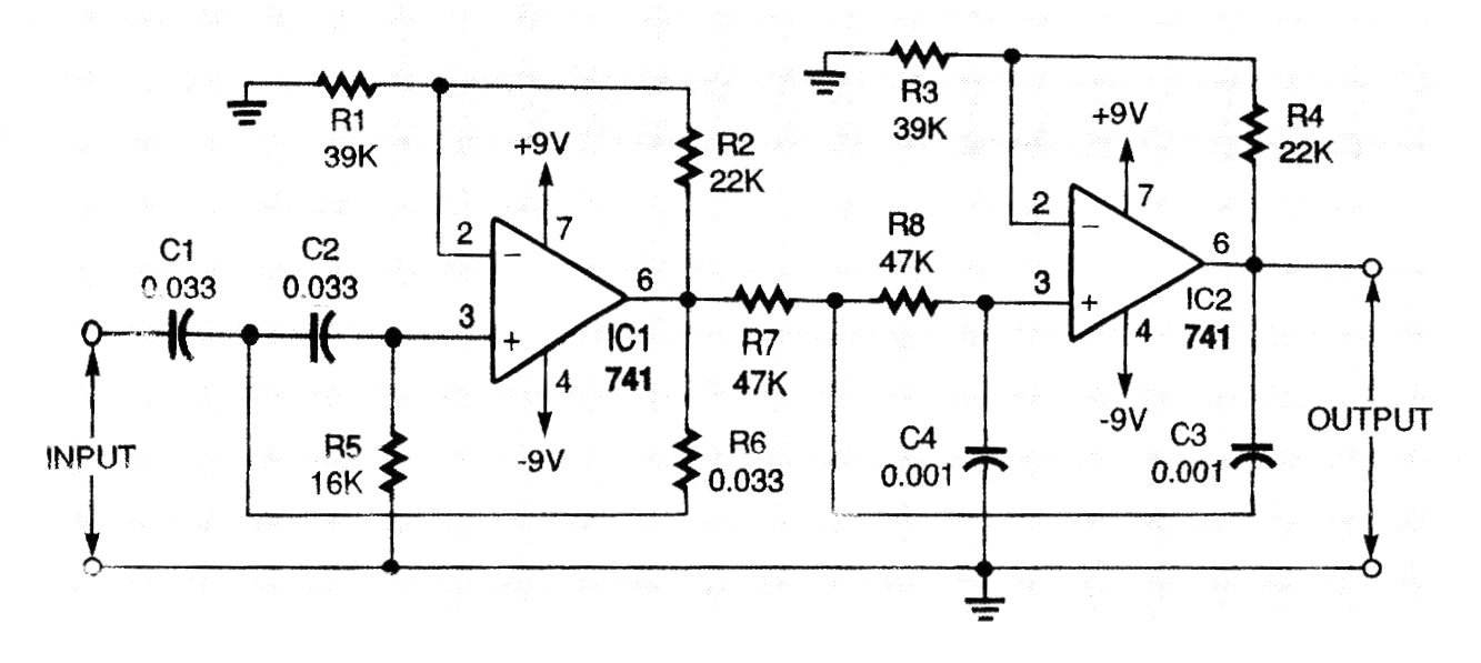
El circuito presentado fue obtenido en una revista Electronics Now de febrero de 1995. La revista ya no existe, pero el circuito puede ser implementado con facilidad. Se trata de un filtro deja pasar el rango de frecuencias de la voz humana con una respuesta de segundo orden. La fuente de alimentación debe ser simétrica.




