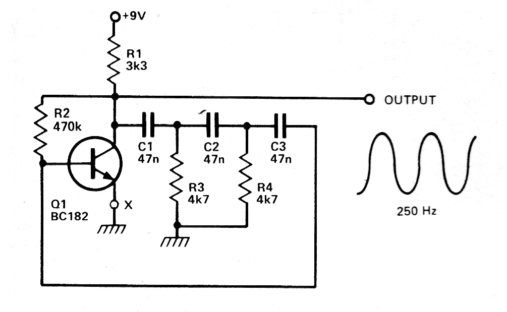
Este circuito se obtuvo en una antigua publicación de 1979. En él se describe un simple oscilador senoidal de baja frecuencia. El circuito se puede montar con un BC548. Más información sobre el cálculo de los componentes de este circuito se puede encontrar en la sección de matemáticas para la electrónica de este sitio.




