Con este sencillo circuito conectado a la entrada de un amplificador cualquiera, el amplificador se convierte en una radio de onda media de buena sensibilidad. El circuito es sencillo de montar y puede captar las estaciones locales con una pequeña antena,
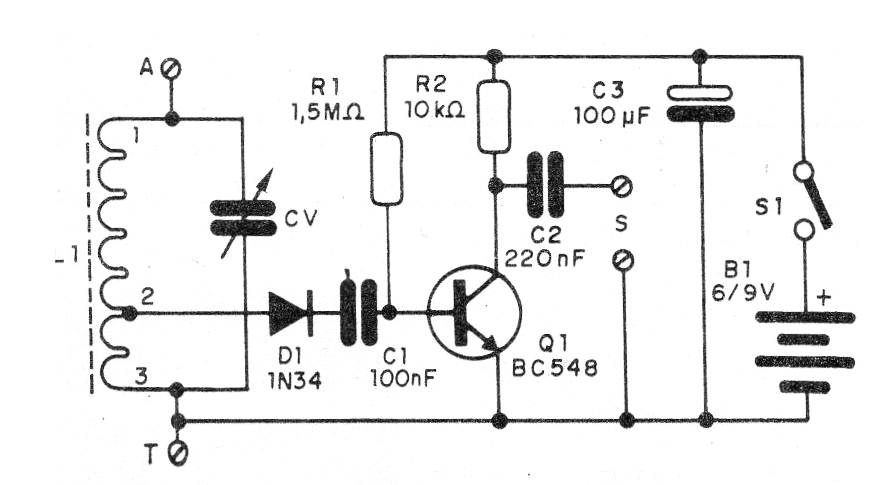
La alimentación del circuito se realiza con 4 pilas pequeñas y el consumo es bastante bajo. En la figura 1 tenemos el circuito del sintonizador.
El montaje se puede realizar sobre la base de un puente de terminales, tal como se muestra en la figura 2.
La bobina está formada por 30 + 50 espiras de hilo común o esmaltado 28 en un bastón de ferrita. El capacitor variable se puede obtener de una radio transistorizada AM fuera de uso. El cable de entrada al amplificador debe ser blindado y el enchufe de acuerdo con la entrada AUX.
Lista de material
Q1 - BC548 - transistores NPN de uso general
D1 - 1N34 o equivalente - diodo de germanio
R1 - 1,5 M ohms x 1/8 W-resistor - marrón, verde, verde
R2 - 10 k ohms x 1/8 W - resistor - marrón, negro, naranja
C1 - 100 nF - capacitor de cerámica
C2 - 220 nF - capacitor de cerámica o poliéster
C3 - 100 uF x 6 V o más - capacitor electrolítico
L1 - Bobina - ver el texto
CV - Capacitor variable - ver texto
S1 - Interruptor simple
B1 - 6 o 9 V - pilas o pilas
Varios: puente de terminales, soporte de pilas o conector de batería, cable blindado, enchufe según el amplificador, etc.





