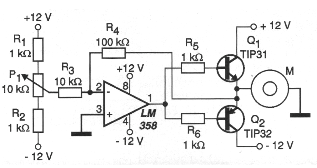
El circuito mostrado en la figura 1 tiene por objetivo controlar la potencia de un motor de corriente continua y también su sentido de rotación.
Entre las posibles aplicaciones sugerimos el uso en posicionamiento de servos utilizados en aplicaciones industriales de control de movimiento.
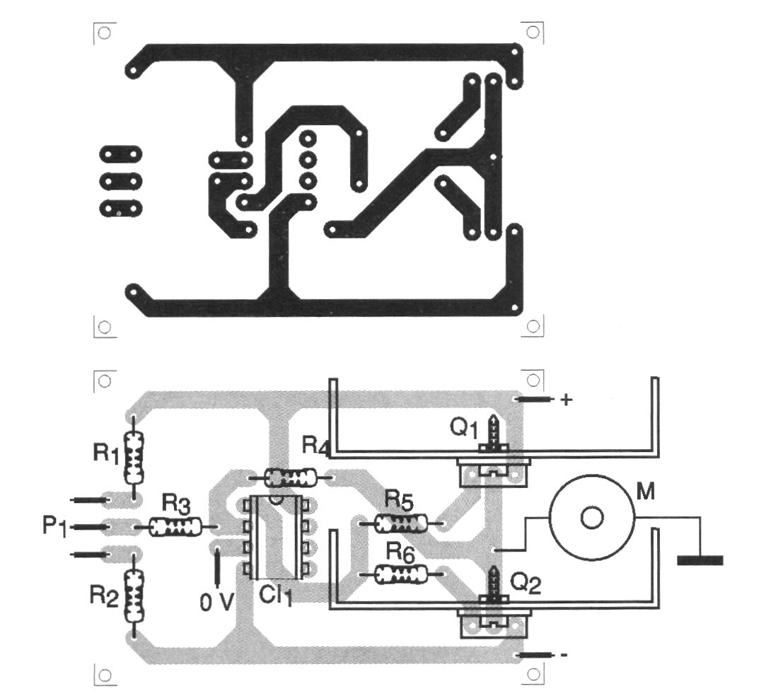
Los dos transistores deben montarse en radiadores de calor compatibles con la potencia del motor.
Con los transistores utilizados se pueden controlar motores de corriente continua especificados para tensiones entre 6 y 12 V con corrientes hasta 2 A.
La fuente de alimentación debe ser simétrica de acuerdo con la tensión del motor.
Dependiendo de la aplicación, el circuito puede volverse sensible al ruido de las escobillas del motor en caso de que los capacitores de desacoplamiento despolarizados de 10 a 100 uF pueden ser necesarios.
Este capacitor debe conectarse en paralelo con el motor.
Los amplificadores operacionales equivalentes al LM358 pueden ser empleados y la ganancia del circuito que va a determinar su respuesta puede ser cambiada en R4, dependiendo de las características del motor utilizado.
En la figura 2 tenemos una sugerencia de placa de circuito impreso, observándose el espacio dejado para los disipadores de calor de los transistores.
En el montaje, mantenga las pistas de las cadenas principales amplias para poder trabajar con la corriente requerida por el motor.
LISTA DE MATERIAL
CI-1 - LM358 - amplificador operativo
Q1 - TIP31 - transistores NPN de potencia
Q2 - TIP32 - transistores PNP de potencia
M - Motor DC - ver el texto
R1, R2, R5, R6 - 1 k ohms x 1/8 W - resistores - marrón, negro, rojo
R4 - 100 k ohms x 1/8 W - resistor - marrón, negro, amarillo
P1 - 10 k ohms - potenciómetro lineal
Varios:
Placa de circuito impreso, radiadores de calor para los transistores, hilos, soldadura, etc.





