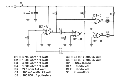
Este circuito TTL fue obtenido en una revista italiana de 1985, pero puede ser implementado con facilidad, pues los componentes son actuales. El circuito parpadea alternativamente dos LED. La alimentación debe ser hecha con 5 V y la frecuencia alterada por el cambio de los capacitores electrolíticos.

Oscilador con NOR Exclusivo



