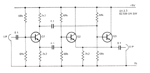
Este circuito es de una publicación inglesa de 1976, pero se puede montar fácilmente con transistores BC548. El circuito dobla la frecuencia de una señal de baja frecuencia haciendo su rectificación en onda completa. Es lógico que la distorsión se agrega, pero sirve para aplicaciones interesantes como efectos de audio.

Doblador de baja frecuencia



