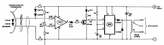
Este circuito fue encontrado en una antigua revista nacional teniendo como base diodos como sensores de calor. El circuito es todavía bastante actual por los componentes que utiliza. El relé debe ser de tipo sensible a 12 V.

Sensor de seguridad contra incendios



