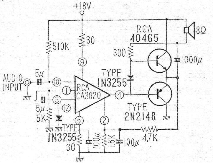
Este es uno de los primeros circuitos de amplificadores utilizando un integrado CA3020 de la RCA en los años 60. El circuito es de 1968 y los transistores complementarios de salida también son de la RCA. La potencia era del orden de algunos cientos de miliwatts.




