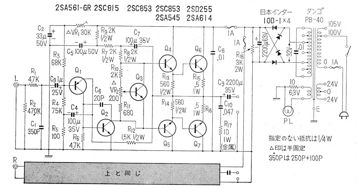
Este circuito fue encontrado en una publicación japonesa de 1971. El circuito utiliza componentes de la época y los transistores deben ser montados en excelentes disipadores de calor. Uno de los canales se muestra, siendo el otro idéntico y también tenemos la fuente de alimentación.




