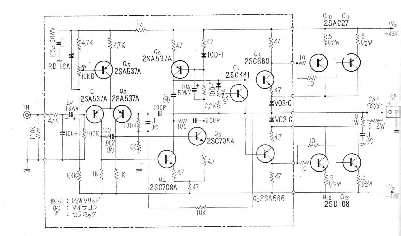
Este circuito fue encontrado en una revista japonesa de 1971. El circuito utiliza transistores japoneses de la época necesitando de excelente fuente de alimentación y un diseño muy bien hecho de la placa de circuito impreso debido a la intensidad de las corrientes circulantes. Observe la tensión de alimentación simétrica de 43 V.




