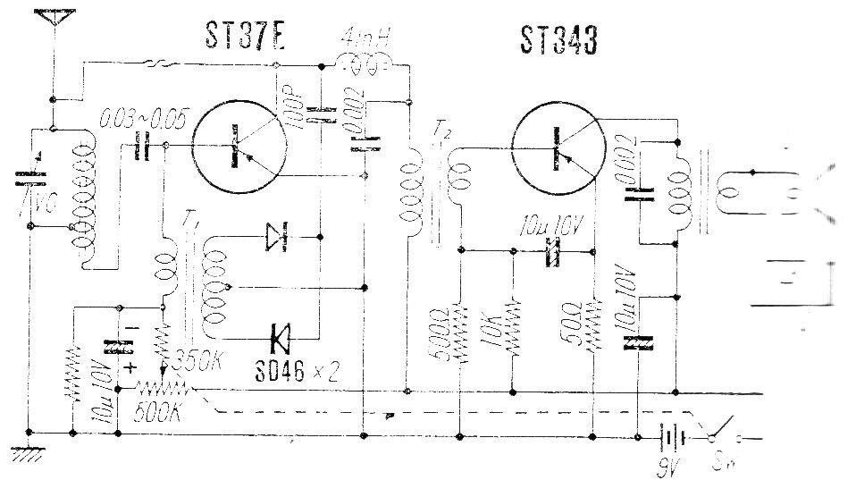
Esta radio de dos transistores fue encontrada en una publicación japonesa de los años 60, sin informaciones sobre la construcción de las bobinas. Sin embargo, por el rango sintonizado podemos fácilmente tener una idea aproximada del número de espiras de cada una. Los transistores son de germanio en la época y la alimentación era hecha por una batería de 9 V.




