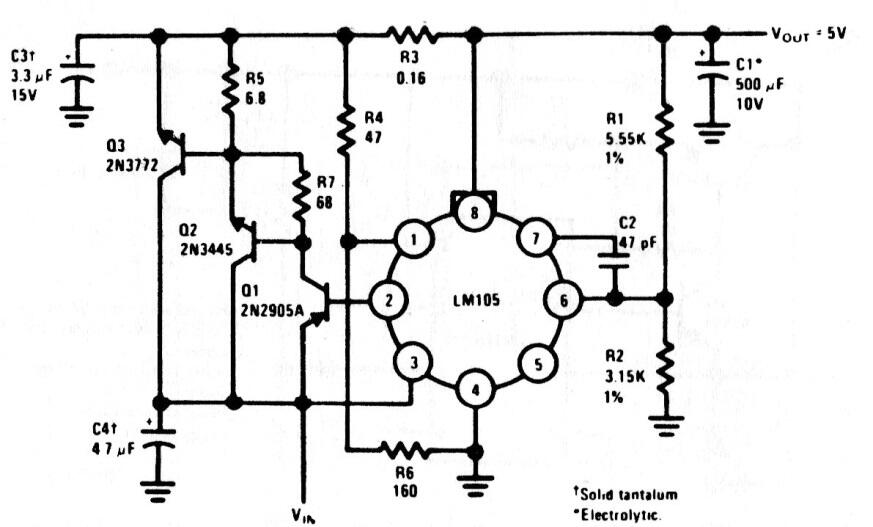
Este es un circuito de un manual antiguo que sirve, por lo tanto, como referencia para reparadores y recuperadores de equipos. Los transistores admiten equivalentes y el transistor Q1 debe estar dotado de un buen disipador de calor.
Este es un circuito de un manual antiguo que sirve, por lo tanto, como referencia para reparadores y recuperadores de equipos. Los transistores admiten equivalentes y el transistor Q1 debe estar dotado de un buen disipador de calor.