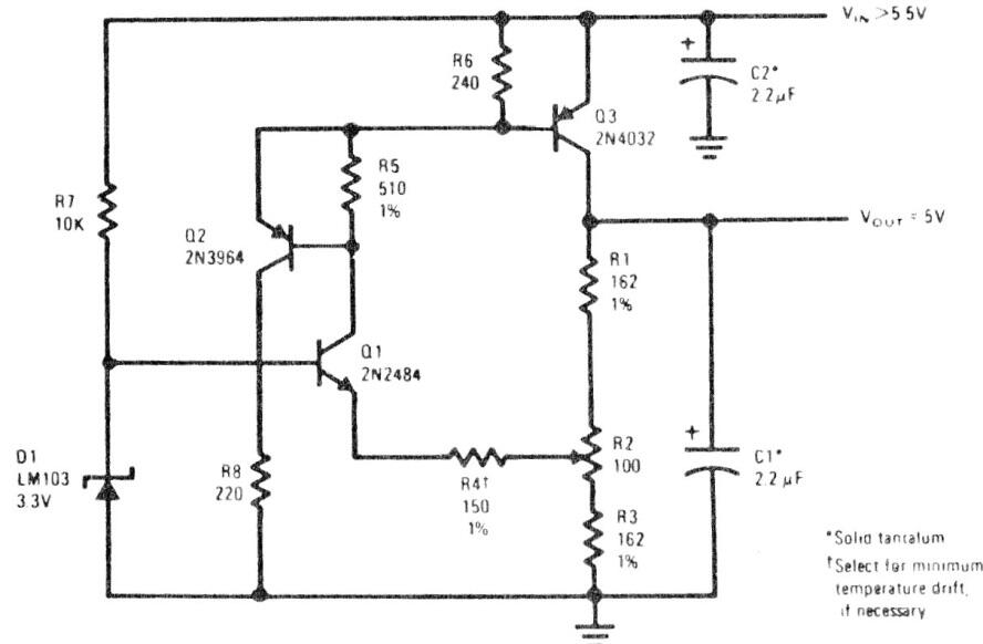
Los transistores de este regulador de tensión positivo encontrado en un antiguo manual de Motorola admite equivalentes. El diodo zener determina la tensión de salida, pudiendo ser alterado.

 

Regulador Positivo de 200 mA
Regulador Positivo de 200 mA | Haga click en la imagen para ampliar |