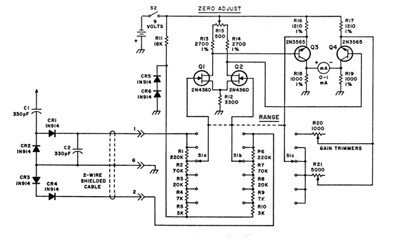
Este circuito puede medir la intensidad de las señales hasta 200 MHz. El indicador puede ser sustituido por la escala de corriente de un multímetro común. Los componentes usados admite equivalentes, pues el circuito es de los años 80.

Voltímetro de alta frecuencia C



