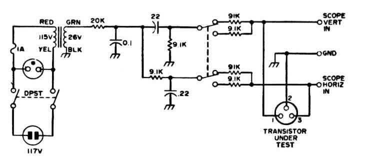
Este circuito fue encontrado en una documentación americana de los años 80. Se destina a la prueba de transistores y SCRs generando señales en cuadratura para visualización de características en un osciloscopio.
Este circuito fue encontrado en una documentación americana de los años 80. Se destina a la prueba de transistores y SCRs generando señales en cuadratura para visualización de características en un osciloscopio.