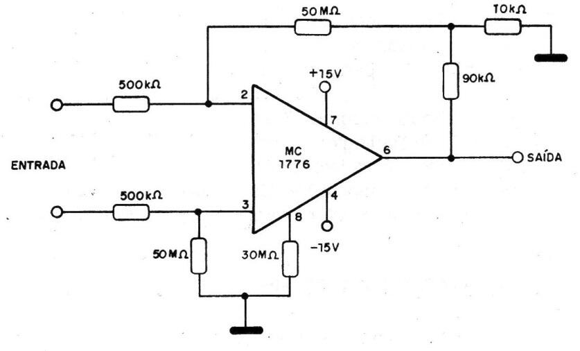
El circuito presentado es sugerido por Motorola y consiste en un amplificador con impedancia muy alta de entrada. La ganancia de tensión es de 100 veces y es dada por la relación de valores entre el resistor de entrada y el resistor de realimentación. El resistor de entrada también determina la impedancia de entrada. La fuente de alimentación debe ser simétrica con la tensión indicada. La misma configuración se puede adaptar para su uso en otros amplificadores operacionales comunes.




