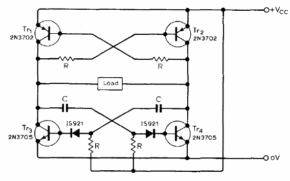
Encontramos este circuito en una publicación americana de 1977. Combinando un monoestable con un biestable es posible obtener un oscilador de consumo muy bajo con alimentación de cargas hasta 70 mA. Los transistores pueden ser los BC548 para los NPN y BC558 para los PNP. La constante de tiempo es 1,4 x R x C.

Astable de muy bajo consumo



