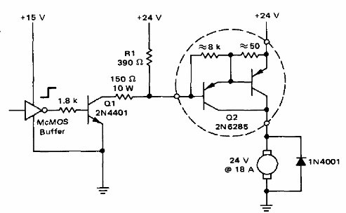
Este circuito es de una documentación sobre técnicas de interfaz de Motorola de 1975. El Darlington puede ser un equivalente moderno de la serie TIP con corriente de acuerdo con el motor. El NPN puede ser el BC548. El circuito acciona el motor cuando la salida lógica está en el nivel alto.

Shield de motor DC con Darlington



