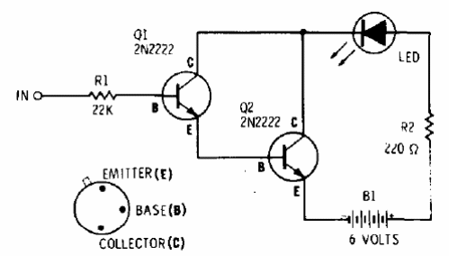
Encontrado en una documentación de Radio Shack de 1974. Este circuito debe tener una conexión a tierra del circuito analizado. Los transistores también pueden ser los BC548. Los transistores equivalentes se pueden utilizar como los BC548.

Probador Lógico Darlington



