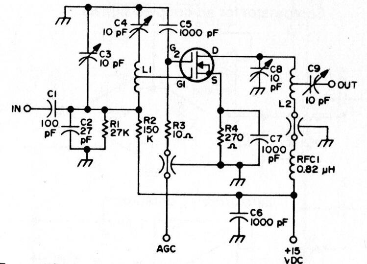
Este circuito fue originalmente creado para medir la ganancia de MOSFETs de RF de dos puertas como el indicado que es de Fairchild. El circuito es de los años 80 habiendo sido retirado de Application Note de la empresa. Sin embargo, se puede utilizar con otros MOSFET. Los detalles de las bobinas no se dieron.




