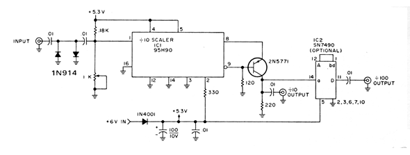
La finalidad de este circuito es extender el alcance de frecuencímetros (normalmente hasta 30 MHz) a 300 MHz. El circuito es de una documentación americana antigua y el circuito integrado utilizado no es fácil de encontrar en nuestros días.

Prescaler a 300 MHz



