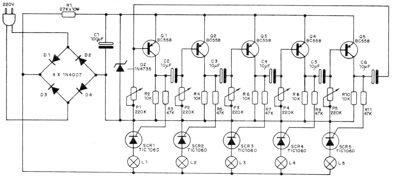
Encontramos este circuito en una documentación de 1988, pero todos los componentes usados todavía son comunes en nuestros días. El circuito controla una secuencia de lámparas incandescentes con intervalos que se ajustan en los trimpots. El circuito es auto-oscilante y dependiendo de la carga (lámparas mayores a 25 W), los SCR deben montarse en disipadores de calor.




