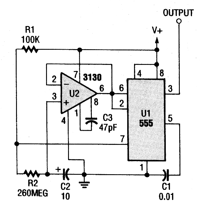
Encontramos este circuito en una Popular Electronics de mayo de 1990. Usando un operacional con JFET como el CA3130 es posible emplear resistores de valores ultra altos en un circuito astável con el 555. En el circuito indicado se pueden tener temporizaciones con ciclos de varios días o incluso semanas La tensión de alimentación puede oscilar entre 5 y 15 V.




