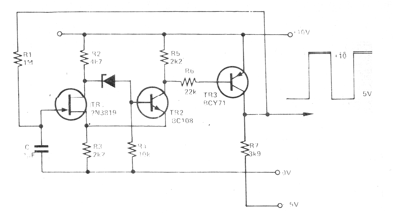
Este circuito foi encontrado numa revista inglesa de 1976. O circuito gera um sinal retangular de boa intensidade, numa frequência de 0,025 Hz. O FET pode ser o BF245, o transistor NPN o BC548 e o PNP e BC558. Observe que o circuito precisa ser alimentado por tensão de5 e de 10 V. A saída é compatível TTL.




