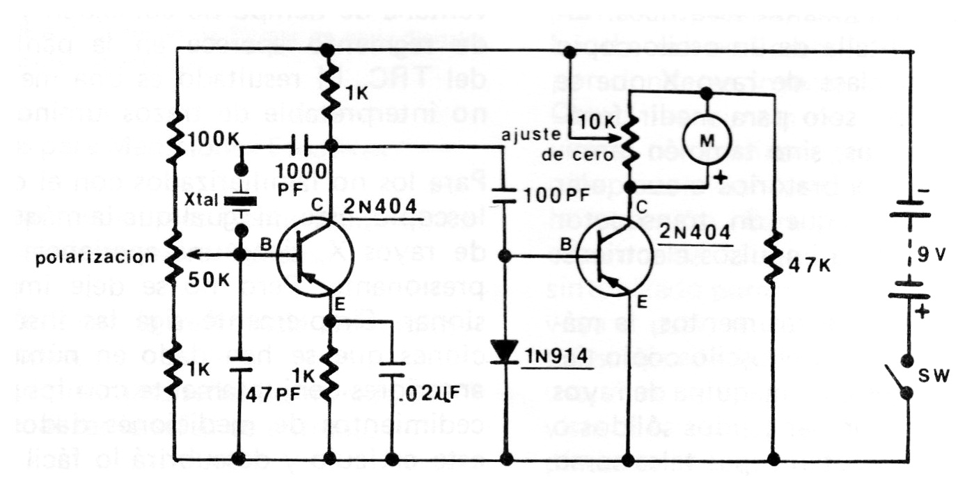
Este circuito fue obtenido en una revista Electrónica Fácil de Colombia de 1986. No sabemos si la revista todavía existe, pero el circuito puede ser montado con facilidad. El circuito indica en un miliamperímetro o incluso escala de corrientes de un multímetro si un cristal está bien. Se pueden utilizar los transistores BC558 para cristales de hasta 20 MHz.




