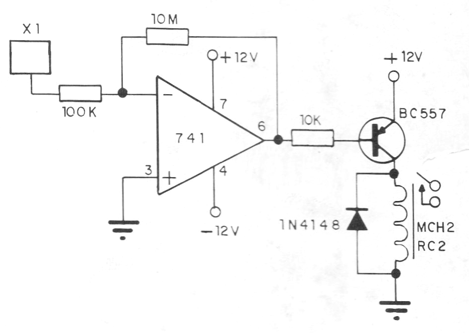
La aproximación de la mano o un toque en un sensor hace que el relé cierre los contactos. El circuito debe ser alimentado por una fuente simétrica y no debe utilizarse fuente sin transformador. El sensor puede ser una placa de metal de 5 x 5 cm y su conexión al circuito debe ser corta. El relé de 12 V es del tipo sensible Metaltex de 50 mA o equivalente.




