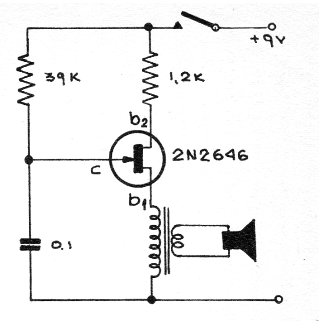
Este circuito tradicional se obtuvo en una publicación argentina de la década de 1970. El transformador se puede obtener de cualquier radio transistorizada común, pero el circuito funcionará también con el altavoz conectado en su salida. La tensión de alimentación puede oscilar entre 6 y 12 V y para controlar la frecuencia el resistor de 39k puede ser reemplazado por un potenciómetro de 1 M en serie con un resistor de 10k.




