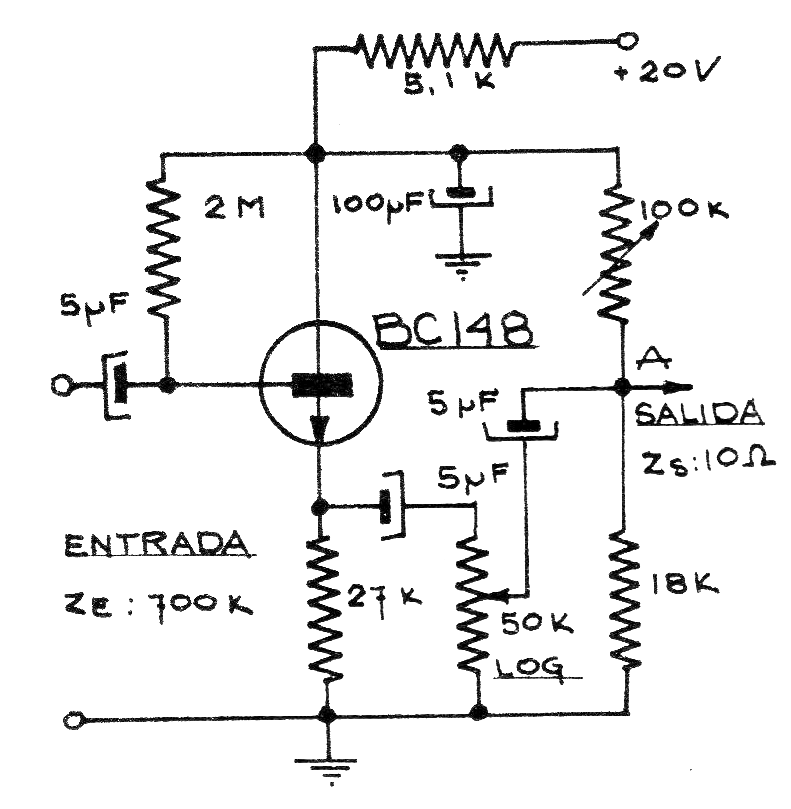
Con este circuito podemos utilizar una fuente de alta impedancia para excitar una salida de baja impedancia. La entrada es de 100k y la salida del circuito es de 10 ohms. El transistor puede ser el BC548 y la alimentación hecha con tensiones de 20 a 30 V. El circuito fue obtenido en una publicación argentina de los años 1970.




