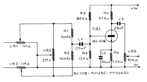
Este simple mezclador fue obtenido en una antigua publicación argentina, pero puede ser montado con transistores BC548 o BC549. El potenciómetro 2 M puede ser de 2M2 y los demás componentes no son críticos. La alimentación puede venir de batería de 9 V, ya que el consumo es muy bajo. Cables de entrada y salida de señales deben ser blindados.




