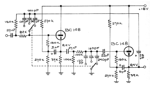
Este circuito fue obtenido en una publicación argentina de los años 1970. Se trata de un filtro que debe ser intercalado entre un tocadiscos y la entrada del promedio donde la señal va a ser grabada o reproducida. Permite cortar los ruidos de los discos viejos, ayudando en la recuperación de la grabación, por ejemplo, en MP3 o CD. El circuito debe ser alimentado con fuente de 18 V y tiene un consumo muy bajo. Los transistores pueden ser los BC548.




