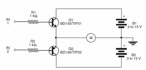
Este circuito de shield para control de sentido de rotación motores DC hasta 500 mA se obtuvo en mi libro Robotics, Mechatronics and Artificial Intelligence, publicado en los Estados Unidos. Los niveles alto y bajo, bajo y alto en las entradas determinan la rotación de los motores. No se deben aplicar niveles altos simultáneamente en las entradas. Los motores de 3 a 15 V pueden ser controlados por este circuito.




