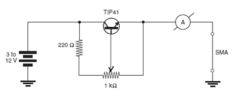
Las Shape Memory Alloy o aleaciones con memoria de forma, son hilos de nitinol que cambian de longitud bajo la acción de una corriente eléctrica, funcionando como músculos robóticos. La corriente de accionamiento debe controlarse con precisión y el circuito mostrado sirve para ello. El transistor debe estar dotado de un disipador de calor y el ajuste debe realizarse para la corriente recomendada por el fabricante del hilo en el espesor utilizado. El circuito es del libro Robotics, Mechatronics and Artificial Intelligence de Newton C. Braga, publicado en los Estados Unidos. El resistor es de 220 ohms x 2 W.




