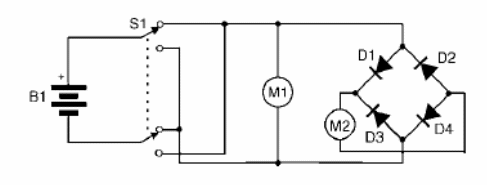
Con este interesante circuito de control, cuando la llave S1 cambia de posición sólo M1 invierte el sentido de rotación, mientras que M2 mantiene el mismo sentido de rotación. Para los diodos 1N4002 los motores pueden tener hasta 12 V con corrientes hasta 1 A. Este circuito es de mi libro Robotics, Mechatronics and Artificial Intelligence, publicado en los Estados Unidos. Para motores de mayor corriente los diodos usados deben ser compatibles.




