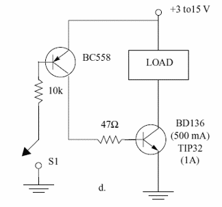
Con este circuito podemos controlar una carga de 500 mA a 1 A, según el transistor, usando un sensor o interruptor de baja corriente, por ejemplo, un reed switch. El transistor de potencia debe estar dotado de un radiador de calor y la carga puede ser de 3 a 15 V. El circuito es del libro Mechatronics Sourcebook de Newton C. Braga, publicado en los Estados Unidos.




