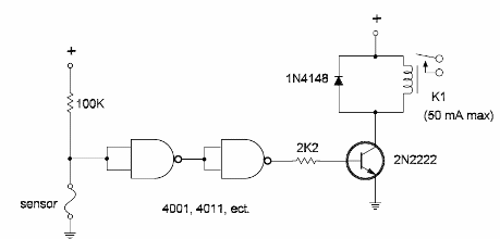
En la figura tenemos una alarma sensible de bajo consumo con el circuito integrado 4001 o 4011. El circuito puede ser alimentado con 6 o 12 V, según el relé utilizado. Los sensores pueden tener otros conectados en serie para una protección múltiple. El transistor también puede ser el BC548 con una corriente máxima de accionamiento del relé de 100 mA. El circuito es del libro CMOS Sourcebook de Newton C. Braga, publicado en los Estados Unidos.




